OEM Connecteur BNC Supplier

Ningbo Hanson Communication Technology Co., Ltd. Maison / Produits / Connecteur coaxial RF / Connecteur BNC

Connecteur BNC

Description:

Le connecteur coaxial RF de la série BNC est un connecteur coaxial RF de type baïonnette développé conformément à la norme militaire américaine MIL-C-39012. Il présente les caractéristiques d'une connexion rapide et d'un contact fiable et est l'un des connecteurs les plus utilisés au monde. L'impédance caractéristique du connecteur coaxial RF de la série BNC est divisée en 50 Ω et 75 Ω, et les tailles des deux connecteurs d'impédance différents sont adaptées.

Paramètre:

Principales spécifications techniques :
◆ Impédance caractéristique : 50Ω/75Ω
◆ Gamme de fréquences : DC-4GHz(50Ω)/DC-1GHz(75Ω)
◆ Résistance d'isolation : ≥5000MΩ
◆ Tension de tenue diélectrique : 1 500 V (rms)
◆ Rapport d'onde stationnaire de tension (VSWR) : ≤1,25
◆ Cycles d'accouplement : 500 fois

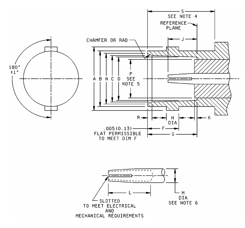
Renseigner

Faible
Litre
M..illimètres (pouces)
Minimum Maximum
UN 0,432 (10,97) .436 (11.07)
B 0,378 (9,60) 0,382 (9,70)
C 0,327 (8,31) .333 (8,46)
D .319 (8.10) .321 (8.15)
F 0,204 (5,18) 0,208 (5,28)
G .327(8.31) 0,335 (8,51)
H 0,075 (1,91) 081(2.06)
" 0,186 (4,72) 0,206 (5,23)
K ------- .006(0.15)
L 0,195 (4,95) -------
M 0,081 (2,06) 087 (2.21)
N 0,346 (8,79) 0,356 (9,04)
P.. ------- 0,256 (6,50)
R. 0,015 (0,38) 0,030 (0,76)
S 0,414 (10,52) -------

Remarques :
1. Les dimensions sont en pouces. Les équivalents métriques sont entre parenthèses.
2. Les équivalents métriques sont donnés à titre d'information générale uniquement.
3. Cette interface doit répondre aux exigences de jauge telles que spécifiées dans le dessin ou la spécification DSCC.
4. Dégagement pour l'écrou d'accouplement du connecteur homologue.
5. La dimension « P » s'applique à la partie (le cas échéant) du diélectrique qui s'étend au-delà des plans de référence par la dimension K.
6. "M" s'applique uniquement sur la longueur "L".

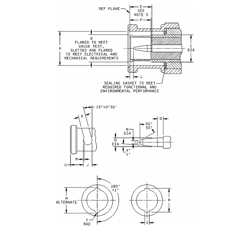
Faible
Litre
M..illimètres (pouces)
Minimum Maximum
UN 385 (9,78) 0,390 (9,91)
B Test de jauge
D 0,052 (1,32) 0,054 (1,37)
E 0,210 (5,33) 0,230 (5,84)
G 0,091 (2,31) 0,097 (2,46)
H 0,463 (11,76) .473 (12.01)
H suppléant .394 (10.01) .400 (10.16)
J. .124(3.15) -------
K 0,091 (2,31) 0,097 (2,46)
L 0,003 (0,08) -------
M 0,018 (0,46) 0,022 (0,56)
N ------- 0,025 (0,64)
P.. 0,208 (5,28) -------
Q 0,078 (1,98) -------
T 0,045 (1,14) 0,049 (1,24)
U 0,180 (4,57) 0,184 (4,67)

Remarques :
1. Les dimensions sont en pouces. Les équivalents métriques sont entre parenthèses.
2. Les équivalents métriques sont donnés à titre d'information générale uniquement.
3. À l'état accouplé, la force longitudinale du ressort du mécanisme d'accouplement doit dépasser la pression exercée par le joint d'étanchéité d'une quantité nécessaire pour assurer la butée des contacts extérieurs au plan de référence.
4. Cette interface doit répondre aux exigences de jauge spécifiées.

BNC SERIES
  • BNC-JB3
    BNC-JB3
    Modèle Type de câble
    BNC-JB3 SFT-50-3、670-141
  • BNC-KB3
    BNC-KB3
    Modèle Type de câble
    BNC-KB3 SFT-50-3 670-141
  • BNC-KYB2
    BNC-KYB2
    Modèle Type de câble d
    BNC-KYB2 SFT-50-2 670-086 Φ2.2
    BNC-KYB3 SFT-50-2 670-141 Φ3,6
  • BNC-J3
    BNC-J3
    Modèle Type de câble
    BNC-J3 SYV-50-2-1,RG316
    BNC-J4 SYV-50-2-2
    BNC-J5,(K)5 SYV-50-3,SFCJ-50-3-51,RG142
    BNC-J7 SYV-50-5-1,SFCJ-50-5-51
    BNC-J10 SYV-50-7-1,SYV-50-7-2,SFCJ-50-7-51
  • BNC-J3Y
    BNC-J3Y
    Modèle Type de câble
    BNC-J3Y SYV-50-2-1
    BNC-J5Y SYV-50-3
  • BNC-J12
    BNC-J12
    Modèle Type de câble
    BNC-J12 SYV-75-3
  • BNC-75J13Y
    BNC-75J13Y
    Modèle Type de câble
    BNC-75J13Y SYV-75-5
  • BNC-JW3Y
    BNC-JW3Y
    Modèle Type de câble
    BNC-JW3Y SYV-50-2-1,RG316
  • BNC-KF3
    BNC-KF3
    Modèle Type de câble
    BNC-KF3 SYV-50-2-1,RG316
    BNC-KF4 SYV-50-2-2
    BNC-KF5 SYV-50-3,SFCJ-50-3-51,RG142
  • BNC-KY3
    BNC-KY3
    Modèle Type de câble
    BNC-KY3 SYV-50-2-1,RG316
    BNC-KY4 SYV-50-2-2
    BNC-KY5 SYV-50-3,SFCJ-50-3-51,RG142
  • BNC-KF
    BNC-KF
  • BNC-KY
    BNC-KY

RESTER EN CONTACT

[#saisir#]
SOUMETTRE
À propos de nous
Ningbo Hanson Communication Technology Co., Ltd.
Ningbo Hanson Communication Technology Co., Ltd.
Ningbo Hanson Communication Technology Co., Ltd. is China Connecteur BNC Supplier and Custom Connecteur BNC Company. We are a manufacturer specializing in the production, processing, and trade of communication components, with more than 30 years of experience in RF coaxial connectors, adapters, and cable assemblies. L'entreprise a désormais développé son propre atelier d'usinage, son atelier de galvanoplastie, son atelier d'assemblage et un groupe de fournisseurs stables et fiables. L'objectif de l'entreprise est de fournir aux clients des produits de haute qualité. Les principaux produits sont des connecteurs coaxiaux RF, des adaptateurs, des assemblages de câbles haute fréquence et des assemblages de câbles à faible intermodulation. En outre, la société peut également fournir des services aux clients ayant des besoins personnalisés afin de répondre aux exigences particulières des clients en matière de produits. Les produits de la société sont largement utilisés dans l'aérospatiale, les stations de base de communication, les équipements médicaux et d'autres domaines de haute technologie. À l'heure de la réforme, de l'innovation, du développement et de la croissance des entreprises, l'entreprise a pris l'initiative de rejoindre le système international de gestion de la qualité ISO9001 et d'améliorer continuellement le niveau de gestion afin de fournir des produits et services plus satisfaisants aux nouveaux et anciens clients.
Dernières nouvelles
Vous recherchez une opportunité commerciale ?

Demete d'appel aujourd'hui