OEM N type RF Coaxial Connector Supplier

Ningbo Hanson Communication Technology Co., Ltd. Maison / Produits / Connecteur coaxial RF / Connecteur coaxial RF de type N

Connecteur coaxial RF de type N

Description:

Le connecteur coaxial RF de la série N est un connecteur coaxial RF doté d'un mécanisme de connexion fileté développé et produit conformément à la norme militaire américaine MIL-C-39012. Il présente les caractéristiques d'une large bande passante, d'une bonne résistance aux chocs, d'une fiabilité élevée et d'excellentes performances, et est largement utilisé dans les systèmes de communication et de mesure micro-ondes. L'impédance caractéristique du connecteur coaxial RF série N produit par notre usine est divisée en deux types : 50Ω et 75Ω.

Paramètre:

Principales spécifications techniques :
◆ Impédance caractéristique : 50Ω/75Ω
◆ Gamme de fréquences : DC-18 GHz (50 Ω)/DC-3 GHz (75 Ω)
◆ Résistance d'isolation : ≥5000MΩ
◆ Tension de tenue diélectrique : 1 500 V (rms)
◆ Rapport d'onde stationnaire de tension (VSWR) : ≤1,30
◆ Cycles d'accouplement : 500 fois

Renseigner

Faible
Litre
P.ouces (mm)
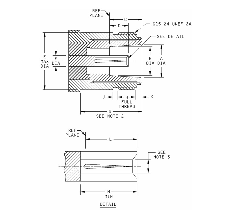
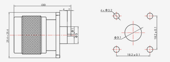
M.in. Max.
UN 0,336 (8,53) 0,344 (8,74)
B .316 (8.03) .320 (8.13)
C 0,356 (9,04) .362 (9,19)
D 0,187 (4,75) 0,207 (5,26)
E ------- 0,627 (15,93)
F .119 (3.02) 0,124 (3,15)
G 0,422 (10,72) -------
H 0,172 (4,37) 0,220 (5,59)
J... 0,047 (1,19) 0,077 (1,96)
K 0,047 (1,19) 0,077 (1,96)
L 0,187 (4,75) 0,207 (5,26)
N 0,210 (5,33) -------

R.emarques :
1. Cette interface doit répondre aux exigences de jauge telles que spécifiées dans
MIL-PRF-39o12/2.
2. Dégagement pour l'écrou d'accouplement du connecteur homologue.
3. Pour répondre à VSwR, aux caractéristiques d'accouplement, à la résistance de contact et
durabilité du connecteur lorsqu'il est accouplé à une broche de diamètre .063/.066.

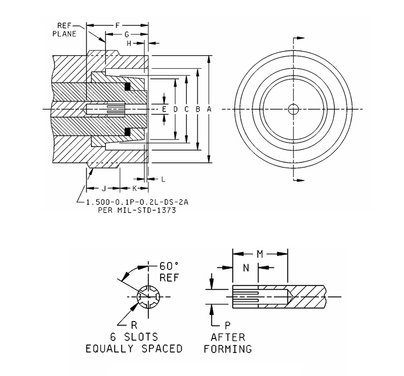
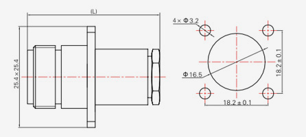
Faible
Litre
P.ouces (mm)
M.in. Max.
UN 1,740 (44,20) 1,760 (44,70)
B 1,537 (39,04) 1,543 (39,19)
C 1,060 (26,92) 1,064 (27,03)
D .964 (24,49) 0,974 (24,74)
E 0,194 (4,93) 0,196 (4,98)
F 0,836 (21,23) 0,856 (21,74)
G 0,372 (9,45) 0,392 (9,96)
H 0,271 (6,88) 0,291 (7,39)
J... 551 (14h00) 0,571 (14,50)
K .370 (9.40) 0,380 (9,65)
L 0,001 (0,03) 0,013 (0,33)

R.emarques :
1. Cette interface doit répondre aux exigences de jauge telles que spécifiées dans MIL-PRF-39012/44.

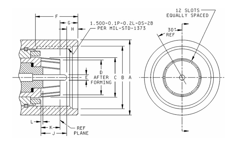
Faible
Litre
P.ouces (mm)
M.in. Max.
UN 1,404 (35,66) 1,408 (35,76)
B 1.100 (27.94) 1,120 (28,45)
C 1,998 (50,75) 1,002 (25,45)
D 936 (23,77) 0,940 (23,88)
E 0,191 (4,85) 0,195 (4,95)
F 0,763 (19,38) 0,783 (19,89)
G 0,465 (11,81) 0,485 (12,32)
H 0,062 (1,57) Référence
J... .302 (7,67) .322 (8,18)
K .302 (7,67) .322 (8,18)
L 0,001 (0,03) 0,013 (0,33)
M 0,490 (12,45) 0,510 (12,95)
N 0,240 (6,10) ,260 (6,60)
P 0,187 (4,75) 0,189 (4,80)
R 0,014 (0,36) 0,018 (0,46)

R.emarques :
1. Cette interface doit répondre aux exigences de jauge telles que spécifiées dans MIL-PRF-39012/45.

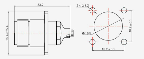
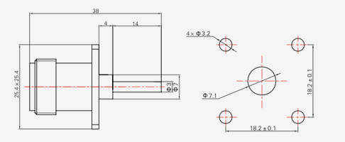
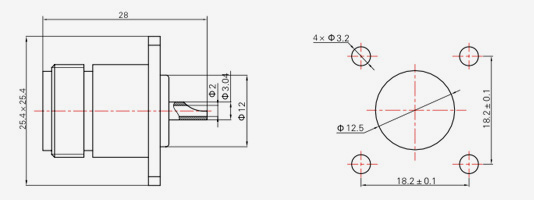
N SERIES
  • N-JB2
    N-JB2
    Modèle Type de câble d
    N-JB2 SFT-50-2 670-086 Φ2.2
    N-JB3 SFT-50-3 670-141 Ф3,6
  • N-JB3-1
    N-JB3-1
    Modèle Type de câble L
    N-JB3-1 SFT-50-3 670-141 17.6
    N-JB3A-1 SFT-50-3 670-141 16.5
  • N-KB3
    N-KB3
    Modèle Type de câble
    N-KB3 SFT-50-3 670-141
  • N-KFB3
    N-KFB3
    Modèle Type de câble
    N-KFB3 SFT-50-3 670-141
  • N-KYB3
    N-KYB3
    Modèle Type de câble
    N-KYB3 SFT-50-3 670-141
  • N-J3
    N-J3
    Modèle Type de câble
    N-J3 SYV-50-2-1,RG316
    N-J4 SYV-50-2-2
  • N-J5
    N-J5
    Modèle Type de câble L
    N-J5 SYV-50-3,RG142, SFCJ-50-3-51 33
    N-J5C SYV-50-3,RG142, SFCJ-50-3-51 33
    N-J7 SYV-50-5-1, SFCJ-50-5-51 36
    N-J10 SYV-50-7-1, SYV-50-7-2,SFCJ-50-7-51 36
  • N-J5.3
    N-J5.3
    Modèle Type de câble
    N-J5.3 32055,205,GNB415
  • N-J311
    N-J311
    Modèle Type de câble
    N-J311 FFB311A
  • N-J10-1
    N-J10-1
    Modèle Type de câble
    N-J10-1 SFCJ-50-7-51
  • N-JW5
    N-JW5
    Modèle Type de câble
    N-JW5 SFCJ-50-3-51,SYV-50-3-4,RG142
    N-JW7 SFCJ-50-5-51,SYV-50-5-1
    N-JW10 SFCJ-50-7-51,SYV-50-7-2
  • N-JW8A
    N-JW8A
    Modèle Type de câble
    N-JW8A FFB311A,SYV-50-5
    N-JW12A SYV-75-3
    N-JW13A SYV-75-5
  • N-K3
    N-K3
    Modèle Type de câble
    N-K3 SYV-50-2-1,RG316
  • N-K5
    N-K5
    Modèle Type de câble L
    N-K5 SYV-50-3,RG142, SFCJ-50-3-51 36
    N-K7 SYV-50-5-1,SFCJ-50-5-51 38
    N-K10 SYV-50-7-1,SFCJ-50-7-51 38
  • N-KF5
    N-KF5
    Modèle Type de câble L
    N-KF5 SYV-50-3,RG142,SFCJ-50-3-51 36
    N-KF7 SYV-50-5-1,SFCJ-50-5-51 38
    N-KF10 SYV-50-7-1,SFCJ-50-7-51 38
  • N-KF3A
    N-KF3A
    Modèle Type de câble L
    N-KF3A SYV-50-2-1,RG316 33
    N-KF5A SYV-50-3-4,RG142 42
  • N-KY3Y
    N-KY3Y
    Modèle Type de câble
    N-KY3Y SYV-50-2-1,RG316
  • N-KFD
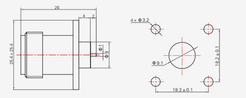
    N-KFD
    Modèle L L1 L2
    KFD 26 4 2
    KFD2 31 6 5
    KFD15 30 6 4
    KFD16 28.5 6 2.5
    KFD17 28 6 2
    KFD18 29 5 4
    KFD19 29 4 5
    KFD20 33 4 9
  • N-KF
    N-KF
  • N-JFD1
    N-JFD1
  • N-JFD2
    N-JFD2
  • N-JFD3
    N-JFD3
  • N-JFD23
    N-JFD23
  • N-KFD1
    N-KFD1
  • N-KFD7
    N-KFD7
  • N-KFD11
    N-KFD11
  • N-KFD50
    N-KFD50
  • N-KFD-Z
    N-KFD-Z
  • N-KFD9
    N-KFD9
  • N-KFD14
    N-KFD14

RESTER EN CONTACT

[#saisir#]
SOUMETTRE
À propos de nous
Ningbo Hanson Communication Technology Co., Ltd.
Ningbo Hanson Communication Technology Co., Ltd.
Ningbo Hanson Communication Technology Co., Ltd. is China N type RF Coaxial Connector Supplier and Custom N type RF Coaxial Connector Company. We are a manufacturer specializing in the production, processing, and trade of communication components, with more than 30 years of experience in RF coaxial connectors, adapters, and cable assemblies. L'entreprise a désormais développé son propre atelier d'usinage, son atelier de galvanoplastie, son atelier d'assemblage et un groupe de fournisseurs stables et fiables. L'objectif de l'entreprise est de fournir aux clients des produits de haute qualité. Les principaux produits sont des connecteurs coaxiaux RF, des adaptateurs, des assemblages de câbles haute fréquence et des assemblages de câbles à faible intermodulation. En outre, la société peut également fournir des services aux clients ayant des besoins personnalisés afin de répondre aux exigences particulières des clients en matière de produits. Les produits de la société sont largement utilisés dans l'aérospatiale, les stations de base de communication, les équipements médicaux et d'autres domaines de haute technologie. À l'heure de la réforme, de l'innovation, du développement et de la croissance des entreprises, l'entreprise a pris l'initiative de rejoindre le système international de gestion de la qualité ISO9001 et d'améliorer continuellement le niveau de gestion afin de fournir des produits et services plus satisfaisants aux nouveaux et anciens clients.
Dernières nouvelles
Vous recherchez une opportunité commerciale ?

Demete d'appel aujourd'hui