OEM Connecteur TNC Supplier

Ningbo Hanson Communication Technology Co., Ltd. Maison / Produits / Connecteur coaxial RF / Connecteur TNC

Connecteur TNC

Description:

Les connecteurs coaxiaux RF de la série TNC sont développés et produits selon la norme militaire américaine MIL-C-39012. Ils présentent les caractéristiques d’une large bande passante, d’une connexion fiable et d’une bonne résistance aux chocs. Ils conviennent aux connecteurs et aux câbles RF pour l'entrée et la sortie de signaux d'équipements radio, d'instruments électroniques et de divers composants laser.

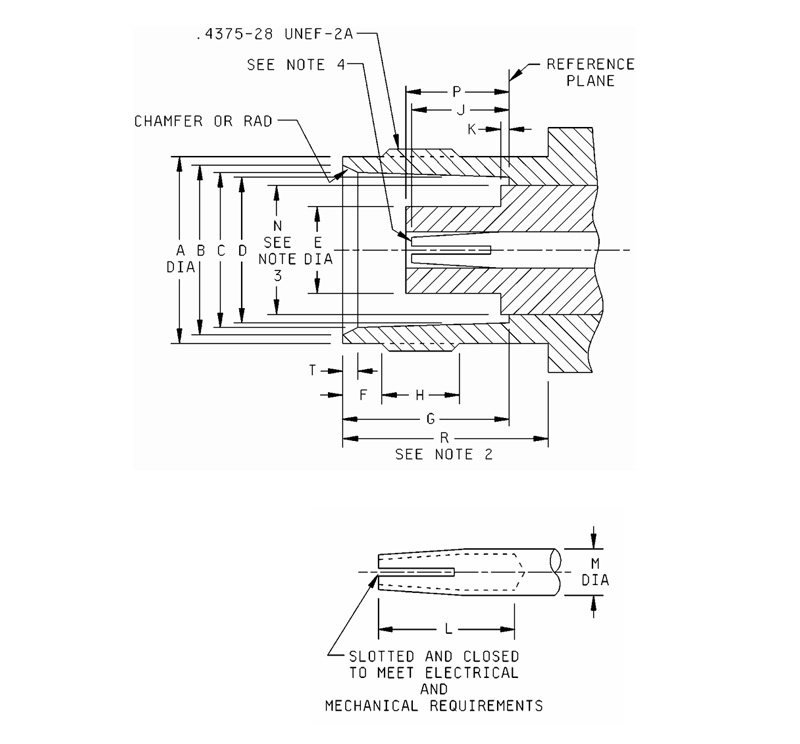
Paramètre:

Principales spécifications techniques :
◆ Impédance caractéristique : 50 Ω
◆ Gamme de fréquences : DC-18 GHz
◆ Résistance d'isolation : ≥5000MΩ
◆ Tension de tenue diélectrique : 1 500 V (rms)
◆ Rapport d'onde stationnaire de tension (VSWR) : ≤1,30
◆ Cycles d'accouplement : 500 fois

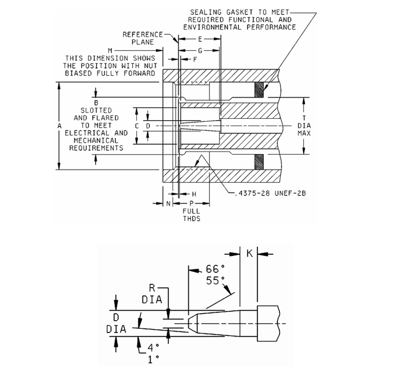
Renseigner

Faible
Litre
Millimètres (pouces)
Minimum Maximum
UN 0,378 (9,60) 0,381 (9,68)
B 0,346 (8,79) 0,356 (9,04)
C 0,327 (8,31) .333 (8,46)
D .319 (8.10) .321 (8.15)
E ------- 0,186 (4,72)
F 0,068 (1,73) 0,088 (2,24)
G 0,327 (8,31) 0,335 (8,51)
H 0,187 (4,75) -------
J. 0,186 (4,72) 0,206 (5,23)
K ------- 0,006 (0,15)
L 0,195 (4,95) -------
M 0,081 (2,06) 0,087 (2,21)
N ------- 0,256 (6,50)
P.. 0,188 (4,78) 0,208 (5,28)
R.. 0,414 (10,52) -------
T 0,015 (0,38) 0,030 (0,76)

Remarques :
1. Cette interface doit répondre aux exigences de jauge telles que spécifiées dans
MIL-PRF-39012/28.
2. Dégagement pour l'écrou d'accouplement du connecteur homologue.
3. La dimension s'applique à cette partie (le cas échéant) du diélectrique
qui dépasse du métal
épaulement (ou plan de référence) par cote K.
4. ID pour répondre à VSwR lorsqu'il est accouplé à une broche de 0,052 pouce (1,32 mm)/0,054 (1,37 mm) de diamètre.

Faible
Litre
Millimètres (pouces)
Minimum Maximum
UN .440 (11.18) -------
B Test de jauge
C 0,190 (4,83) -------
D 0,052 (1,32) 0,054 (1,37)
E 0,210 (5,33) 0,230 (5,84)
F 0,006 (0,15) -------
G 0,208 (5,28) 0,228 (5,79)
H 0,003 (0,08) 0,040 (1,02)
K 0,078 (1,98) -------
M ------- 0,078 (1,98)
N 0,063 (1,60) -------
P.. 0,156 (3,96) -------
R.. ------- 0,025 (0,64)
T ------- .322 (8,18)

Remarques :
1. Cette interface doit répondre aux exigences de jauge telles que spécifiées dans MIL-PRF-39012/26.

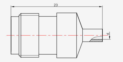
TNC SERIES
  • TNC-KF3A
    TNC-KF3A
    Modèle Type de câble
    TNC-KF3A SYV-50-2-1,RG316
    TNC-KF5A SYV-50-3,RG142,SFCJ-50-3-51
  • TNC-KF3A-1
    TNC-KF3A-1
    Modèle Type de câble
    TNC-KF3A-1 SYV-50-2-1,RG316
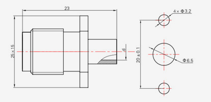
  • TNC-JB2
    TNC-JB2
    Modèle Type de câble d
    TNC-JB2 SFT-50-2 670-086 Φ2.2
    TNC-JB3 SFT-50-3 670-141 Φ3,6
  • TNC-JWB2
    TNC-JWB2
    Modèle Type de câble d
    TNC-JWB2 SFT-50-2 670-086 Φ2.2
    TNC-JWB3 SFT-50-3 670-141 Φ3,6
  • TNC-KB2
    TNC-KB2
    Modèle Type de câble d
    TNC-KB2 SFT-50-2 670-086 Φ2.2
    TNC-KB3 SFT-50-3 670-141 Φ3,6
  • TNC-KFB2
    TNC-KFB2
    Modèle Type de câble d
    TNC-KFB2 SFT-50-2 670-086 Φ2.2
    TNC-KFB3 SFT-50-3 670-141 Φ3,6
  • TNC-KFB2-1
    TNC-KFB2-1
    Modèle Type de câble d
    TNC-KFB2-1 SFT-50-2 670-086 Φ2.2
    TNC-KFB3-1 SFT-50-3 670-141 Φ3,6
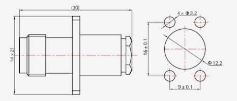
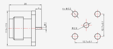
  • TNC-KFD2
    TNC-KFD2
    Modèle L L1
    KFD2 27 3.5
    KFD3 22 2
  • TNC-J3A
    TNC-J3A
    Modèle Type de câble
    TNC-J3A SYV-50-2-1,RG316
    TNC-J5A SYV-50-3-4,RG142, SFCJ-50-3-51
    TNC-J5AC
  • TNC-J4
    TNC-J4
    Modèle Type de câble L
    TNC-J4 SYV-50-2-2 31
    TNC-J5 SYV-50-3-4, SFCJ-50-3-51,RG316 31
    TNC-(K)5
    TNC-J5C
    TNC-J7 SYV-50-5-1, SFCJ-50-5-51 36
    TNC-J7C
    TNC-J10 SYV-50-7-1,SYV-50-7-2, SFCJ-50-7-51 36
    TNC-J10C
  • TNC-JW5
    TNC-JW5
    Modèle Type de câble
    TNC-JW5 SYV-50-3-4,SFCJ-50-3-51,RG142
    TNC-JW7 SYV-50-5-1,SFCJ-50-5-51
    TNC-JW10 SYV-50-7-2,SFCJ-50-7-51
  • TNC-JW5-1
    TNC-JW5-1
    Modèle Type de câble
    TNC-JW5-1 SYV-50-3-4,SFCJ-50-3-51,RG142
  • TNC-K5
    TNC-K5
    Modèle Type de câble L
    TNC-K5 SYV-50-3-4, SFCJ-50-3-51,RG142 31
    TNC-(J)5
    TNC-K7 SYV-50-5-1, SFCJ-50-5-51 33
    TNC-K10 SYV-50-7-1, SYV-50-7-2,SFCJ-50-7-51 33
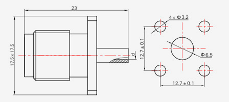
  • TNC-KFD1
    TNC-KFD1
  • TNC-KFD4
    TNC-KFD4

RESTER EN CONTACT

[#saisir#]
SOUMETTRE
À propos de nous
Ningbo Hanson Communication Technology Co., Ltd.
Ningbo Hanson Communication Technology Co., Ltd.
Ningbo Hanson Communication Technology Co., Ltd. is China Connecteur TNC Supplier and Custom Connecteur TNC Company. We are a manufacturer specializing in the production, processing, and trade of communication components, with more than 30 years of experience in RF coaxial connectors, adapters, and cable assemblies. L'entreprise a désormais développé son propre atelier d'usinage, son atelier de galvanoplastie, son atelier d'assemblage et un groupe de fournisseurs stables et fiables. L'objectif de l'entreprise est de fournir aux clients des produits de haute qualité. Les principaux produits sont des connecteurs coaxiaux RF, des adaptateurs, des assemblages de câbles haute fréquence et des assemblages de câbles à faible intermodulation. En outre, la société peut également fournir des services aux clients ayant des besoins personnalisés afin de répondre aux exigences particulières des clients en matière de produits. Les produits de la société sont largement utilisés dans l'aérospatiale, les stations de base de communication, les équipements médicaux et d'autres domaines de haute technologie. À l'heure de la réforme, de l'innovation, du développement et de la croissance des entreprises, l'entreprise a pris l'initiative de rejoindre le système international de gestion de la qualité ISO9001 et d'améliorer continuellement le niveau de gestion afin de fournir des produits et services plus satisfaisants aux nouveaux et anciens clients.
Dernières nouvelles
Vous recherchez une opportunité commerciale ?

Demete d'appel aujourd'hui