OEM Connecteur hermétique SMPM Supplier

Ningbo Hanson Communication Technology Co., Ltd. Maison / Produits / Série hermétiquement scellée / Connecteur hermétique SMPM

Connecteur hermétique SMPM

Description:

Le connecteur scellé SMPM (SubMiniature Push-on Micro) est un connecteur RF miniaturisé avec échappement complet, semi-échappement et trou de lumière, conçu pour les applications haute fréquence, compactes et légères. Il s'agit d'un connecteur enfichable, couramment utilisé dans les équipements de communication et électroniques qui nécessitent un faible poids, une grande fiabilité et une petite taille. Les connecteurs SMPM ont une qualité de transmission de signal élevée et peuvent fournir de bonnes performances électriques.

Renseigner

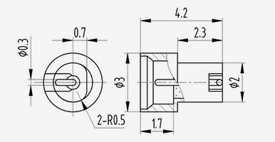
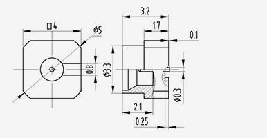
Structure de base :
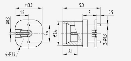
Le connecteur coaxial RF scellé à l'air de type SMPM-J se compose de trois parties : un conducteur externe, un support en verre et un conducteur interne. La structure de base est illustrée dans la figure ci-dessous :

Principaux paramètres techniques :

Caractéristiques électriques
Impédance caractéristique 50Ω Gamme de fréquences C.C ~ 40 GHz
Tension de tenue diélectrique 500 Vrms Résistance d'isolation 2000M Ω
Tension ROS <1,4 Perte d'insertion ≤0,05 √f dB(GHz)
Propriétés matérielles et mécaniques, environnementales
Enveloppe Alliage lavable/plaqué or Épingles Alliage lavable/plaqué or
Milieu isolant Verre Durabilité du connecteur Échappement complet 100 fois
Taux de fuite ≤1,01325×10 Pennsylvanie ·m³/s trou optique 1000 fois
Température de fonctionnement -65 ℃ ~ 165 ℃

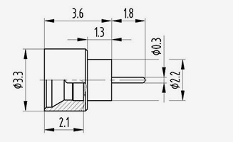
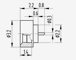
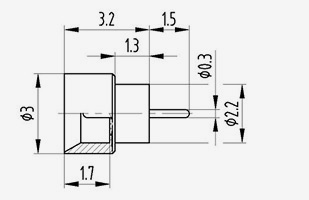
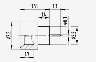
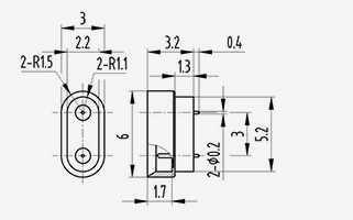
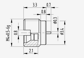
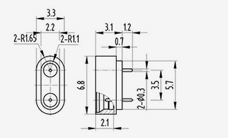
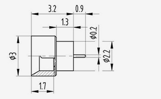
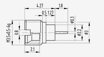
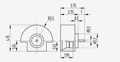
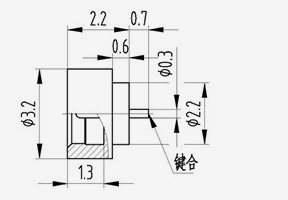
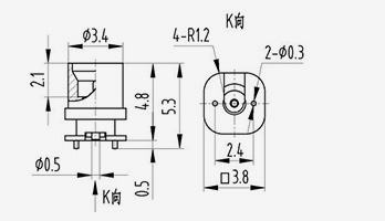
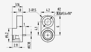
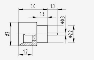
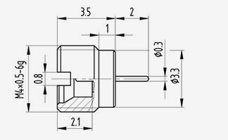
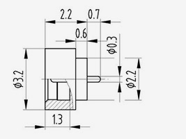
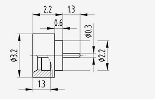
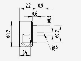
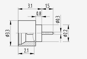
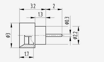
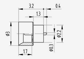
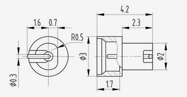
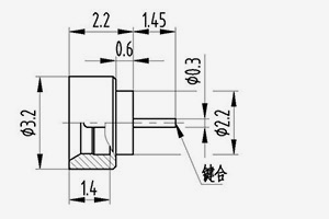
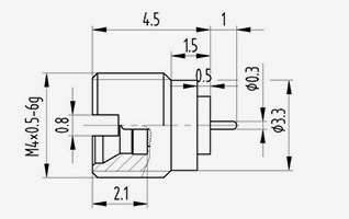
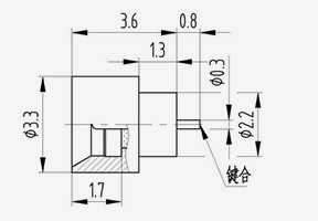
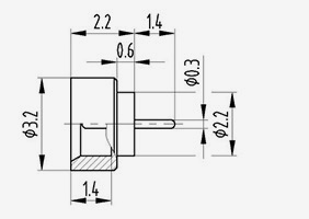
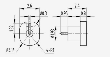
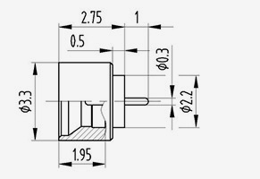
Taille de l'interface :
Les connecteurs coaxiaux RF scellés à l'air de type SMPM-J ont deux formes d'interface : échappement complet et trou nu. Lors de la dénomination du modèle, F indique un échappement complet et
S signifie trou de lumière. Les dimensions de l'interface sont divisées en dimensions d'interface standard et en dimensions d'interface courtes, toutes deux compatibles avec les fiches de type SMPM-K.
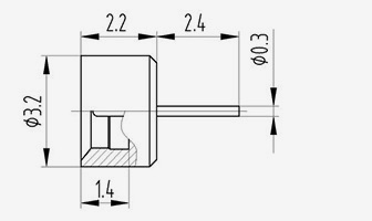
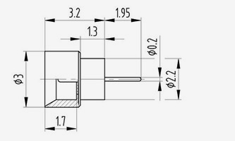
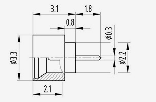
Taille d'interface standard :

Dimensions de l'interface courte :

SMPM SERIES
  • SMPM(M)-JYD3S
    SMPM(M)-JYD3S
    Modèle Remarques
    SMPM(M)-JYD3S Alésage lisse
  • SMPM(M)-JYD5S
    SMPM(M)-JYD5S
    Modèle Remarques
    SMPM(M)-JYD5S Alésage lisse
  • SMPM(M)-JYD8F
    SMPM(M)-JYD8F
    Modèle Remarques
    SMPM(M)-JYD8F Détente complète
  • SMPM(M)-JYD10F
    SMPM(M)-JYD10F
    Modèle Remarques
    SMPM(M)-JYD10F Détente complète
  • SMPM(M)-JYD12S
    SMPM(M)-JYD12S
    Modèle Remarques
    SMPM(M)-JYD12S Alésage lisse
  • SMPM(M)-JYD13F
    SMPM(M)-JYD13F
    Modèle Remarques
    SMPM(M)-JYD13F Détente complète
  • SMPM(M)-JYD14F
    SMPM(M)-JYD14F
    Modèle Remarques
    SMPM(M)-JYD14F Détente complète
  • SMPM(M)-JYD15F
    SMPM(M)-JYD15F
    Modèle Remarques
    SMPM(M)-JYD15F Détente complète
  • SMPM(M)-JYD16S
    SMPM(M)-JYD16S
    Modèle Remarques
    SMPM(M)-JYD16S Alésage lisse
  • SMPM(M)-JYD17S
    SMPM(M)-JYD17S
    Modèle Remarques
    SMPM(M)-JYD17S Alésage lisse
  • SMPM(M)-JYD18S
    SMPM(M)-JYD18S
    Modèle Remarques
    SMPM(M)-JYD18S Alésage lisse
  • SMPM(M)-JYD19S
    SMPM(M)-JYD19S
    Modèle Remarques
    SMPM(M)-JYD19S Alésage lisse
  • SMPM(M)-JYD20F
    SMPM(M)-JYD20F
    Modèle Remarques
    SMPM(M)-JYD20F Détente complète
  • SMPM(M)-JYD21S
    SMPM(M)-JYD21S
    Modèle Remarques
    SMPM(M)-JYD21S Alésage lisse
  • SMPM(M)-JYD22F
    SMPM(M)-JYD22F
    Modèle Remarques
    SMPM(M)-JYD22F Détente complète
  • SMPM(M)-JYD23S
    SMPM(M)-JYD23S
    Modèle Remarques
    SMPM(M)-JYD23S Alésage lisse
  • SMPM(M)-JYD24F
    SMPM(M)-JYD24F
    Modèle Remarques
    SMPM(M)-JYD24F Détente complète
  • SMPM(M)-JYD25F
    SMPM(M)-JYD25F
    Modèle Remarques
    SMPM(M)-JYD25F Détente complète
  • SMPM(M)-JYD26F
    SMPM(M)-JYD26F
    Modèle Remarques
    SMPM(M)-JYD26F Détente complète
  • SMPM(M)-JYD27S
    SMPM(M)-JYD27S
    Modèle Remarques
    SMPM(M)-JYD27S Alésage lisse
  • SMPM(M)-JYD28S
    SMPM(M)-JYD28S
    Modèle Remarques
    SMPM(M)-JYD28S Alésage lisse
  • SMPM(M)-JYD29F
    SMPM(M)-JYD29F
    Modèle Remarques
    SMPM(M)-JYD29F Détente complète
  • SMPM(M)-JYD30S
    SMPM(M)-JYD30S
    Modèle Remarques
    SMPM(M)-JYD30S Alésage lisse
  • SMPM(M)-JYD31F
    SMPM(M)-JYD31F
    Modèle Remarques
    SMPM(M)-JYD31F Détente complète
  • SMPM(M)-JYD32F
    SMPM(M)-JYD32F
    Modèle Remarques
    SMPM(M)-JYD32F Détente complète
  • SMPM(M)-JYD33S
    SMPM(M)-JYD33S
    Modèle Remarques
    SMPM(M)-JYD33S Alésage lisse
  • SMPM(M)-JYD34S
    SMPM(M)-JYD34S
    Modèle Remarques
    SMPM(M)-JYD34S Alésage lisse
  • SMPM(M)-JYD35S
    SMPM(M)-JYD35S
    Modèle Remarques
    SMPM(M)-JYD35S Alésage lisse
  • SMPM(M)-JYD36S
    SMPM(M)-JYD36S
    Modèle Remarques
    SMPM(M)-JYD36S Alésage lisse
  • SMPM(M)-JYD37S
    SMPM(M)-JYD37S
    Modèle Remarques
    SMPM(M)-JYD37S Alésage lisse
  • SMPM(M)-JYD38S
    SMPM(M)-JYD38S
    Modèle Remarques
    SMPM(M)-JYD38S Alésage lisse
  • SMPM(M)-JYD39S
    SMPM(M)-JYD39S
    Modèle Remarques
    SMPM(M)-JYD39S Alésage lisse
  • SMPM(M)-JYD42S
    SMPM(M)-JYD42S
    Modèle Remarques
    SMPM(M)-JYD42S Alésage lisse
  • SMPM(M)-JYD43F
    SMPM(M)-JYD43F
    Modèle Remarques
    SMPM(M)-JYD43F Détente complète
  • SMPM(M)-JYD44F
    SMPM(M)-JYD44F
    Modèle Remarques
    SMPM(M)-JYD44F Détente complète
  • SMPM(M)-JYD45S
    SMPM(M)-JYD45S
    Modèle Remarques
    SMPM(M)-JYD45S Alésage lisse
  • SMPM(M)-JYD46S
    SMPM(M)-JYD46S
    Modèle Remarques
    SMPM(M)-JYD46S Alésage lisse
  • SMPM(M)-JYD60F
    SMPM(M)-JYD60F
    Modèle Remarques
    SMPM(M)-JYD60F Détente complète
  • SMPM(M)-JYD61F
    SMPM(M)-JYD61F
    Modèle Remarques
    SMPM(M)-JYD61F Détente complète
  • SMPM(M)-JYD62F
    SMPM(M)-JYD62F
    Modèle Remarques
    SMPM(M)-JYD62F Détente complète
  • SMPM(M)-JYD63S
    SMPM(M)-JYD63S
    Modèle Remarques
    SMPM(M)-JYD63S Alésage lisse
  • SMPM(M)-JYD64S
    SMPM(M)-JYD64S
    Modèle Remarques
    SMPM(M)-JYD64S Alésage lisse
  • SMPM(M)-JYD65S
    SMPM(M)-JYD65S
    Modèle Remarques
    SMPM(M)-JYD65S Alésage lisse
  • SMPM(M)-JYD66S
    SMPM(M)-JYD66S
    Modèle Remarques
    SMPM(M)-JYD66S Alésage lisse
  • SMPM(M)-JHD1S
    SMPM(M)-JHD1S
    Modèle Remarques
    SMPM(M)-JHD1S Alésage lisse
  • SMPM(M)-JHD2F
    SMPM(M)-JHD2F
    Modèle Remarques
    SMPM(M)-JHD2F Détente complète
  • SMPM(M)-JHD3F
    SMPM(M)-JHD3F
    Modèle Remarques
    SMPM(M)-JHD3F Détente complète
  • SMPM(M)-JHD4F
    SMPM(M)-JHD4F
    Modèle Remarques
    SMPM(M)-JHD4F Détente complète
  • SMPM(M)-JHD6F
    SMPM(M)-JHD6F
    Modèle Remarques
    SMPM(M)-JHD6F Détente complète
  • SMPM(M)-JHD21F
    SMPM(M)-JHD21F
    Modèle Remarques
    SMPM(M)-JHD21F Détente complète
  • SMPM(M)-JFD1S
    SMPM(M)-JFD1S
    Modèle Remarques
    SMPM(M)-JFD1S Alésage lisse
  • SMPM(M)-JWSD1S
    SMPM(M)-JWSD1S
    Modèle Remarques
    SMPM(M)-JWSD1S Alésage lisse
  • SMPM(M)-JWSD8
    SMPM(M)-JWSD8
    Modèle Remarques
    SMPM(M)-JWSD8
  • SMPM(M)-JWSD9S
    SMPM(M)-JWSD9S
    Modèle Remarques
    SMPM(M)-JWSD9S Alésage lisse
  • SMPM(M)-JWSD10S
    SMPM(M)-JWSD10S
    Modèle Remarques
    SMPM(M)-JWSD10S Alésage lisse
  • SMPM(M)-JSD1S
    SMPM(M)-JSD1S
    Modèle Remarques
    SMPM(M)-JSD1S Alésage lisse

RESTER EN CONTACT

[#saisir#]
SOUMETTRE
À propos de nous
Ningbo Hanson Communication Technology Co., Ltd.
Ningbo Hanson Communication Technology Co., Ltd.
Ningbo Hanson Communication Technology Co., Ltd. is China Connecteur hermétique SMPM Supplier and Custom Connecteur hermétique SMPM Company. We are a manufacturer specializing in the production, processing, and trade of communication components, with more than 30 years of experience in RF coaxial connectors, adapters, and cable assemblies. L'entreprise a désormais développé son propre atelier d'usinage, son atelier de galvanoplastie, son atelier d'assemblage et un groupe de fournisseurs stables et fiables. L'objectif de l'entreprise est de fournir aux clients des produits de haute qualité. Les principaux produits sont des connecteurs coaxiaux RF, des adaptateurs, des assemblages de câbles haute fréquence et des assemblages de câbles à faible intermodulation. En outre, la société peut également fournir des services aux clients ayant des besoins personnalisés afin de répondre aux exigences particulières des clients en matière de produits. Les produits de la société sont largement utilisés dans l'aérospatiale, les stations de base de communication, les équipements médicaux et d'autres domaines de haute technologie. À l'heure de la réforme, de l'innovation, du développement et de la croissance des entreprises, l'entreprise a pris l'initiative de rejoindre le système international de gestion de la qualité ISO9001 et d'améliorer continuellement le niveau de gestion afin de fournir des produits et services plus satisfaisants aux nouveaux et anciens clients.
Dernières nouvelles
Vous recherchez une opportunité commerciale ?

Demete d'appel aujourd'hui