OEM Connecteur hermétiquement scellé SMP Supplier

Ningbo Hanson Communication Technology Co., Ltd. Maison / Produits / Série hermétiquement scellée / Connecteur hermétiquement scellé SMP

Connecteur hermétiquement scellé SMP

Description:

Le connecteur coaxial RF hermétique de type SMP-J présente les caractéristiques d'un emballage hermétique et peut être emballé et soudé sur la coque du tube ou le panneau de l'appareil. La coque et le conducteur interne de ce produit sont en alliage Kovar et la surface peut être plaquée d'or dur ou d'or doux ; le milieu isolant est constitué de verre fritté à haute température et la constante diélectrique est d'environ 4. Il présente les avantages d'une petite taille, d'un poids léger, d'une étanchéité hermétique, d'une fiabilité élevée, etc. Il est principalement utilisé dans des occasions avec des exigences d'étanchéité ou des exigences particulières en matière de volume et de poids du produit, et convient à une installation intensive.

Renseigner

Structure de base :
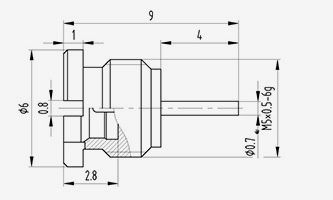
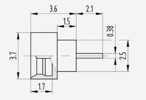
Le connecteur coaxial RF scellé à l'air de type SMP-J se compose généralement de trois parties : un conducteur externe, un support en verre et un conducteur interne, et la structure de base est illustrée sur la figure.

Lorsque la partie exposée du conducteur interne du produit est connectée par insertion ou soudage de surface, la face d'extrémité du conducteur interne peut être réalisée sous la forme d'une tête sphérique ; lorsque la partie exposée du conducteur interne du produit est connectée par liaison, la face d'extrémité du conducteur interne peut être réalisée sous la forme d'une tête plate ou le côté de la partie exposée du conducteur interne peut être fraisé.

Principaux paramètres techniques :

Caractéristiques électriques
Impédance caractéristique 50Ω Gamme de fréquences C.C ~ 40 GHz
Tension de tenue diélectrique 500 Vrms Résistance d'isolation 2000M Ω
Tension ROS <1,4 Perte d'insertion ≤0,05 √f dB(GHz)
Propriétés matérielles et mécaniques, environnementales
Enveloppe Alliage lavable/plaqué or Épingles Bouchon Thorium Placage d'or en alliage délégable
Milieu isolant Verre Durabilité du connecteur Détente complète ≥100 fois
Taux de fuite ≤1,01325×10 Pennsylvanie ·m³/s Détente limitée ≥500 fois
Température de fonctionnement -65 ℃ ~ 165 ℃ Alésage lisse ≥1000 fois

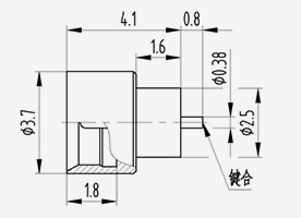
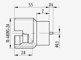
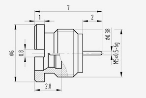
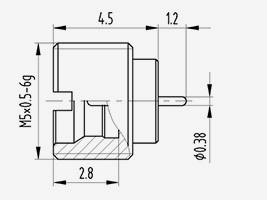
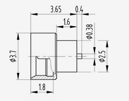
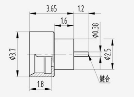
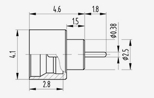
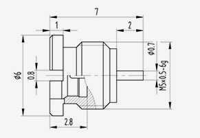
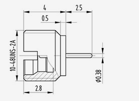
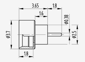
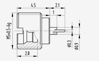
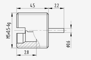
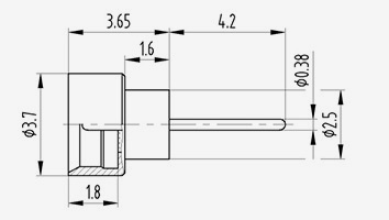
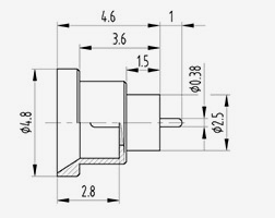
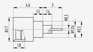
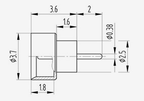
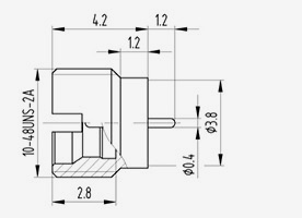
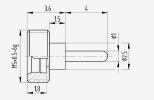
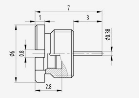
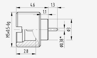
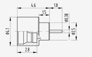
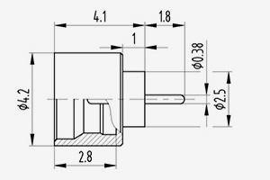
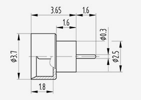
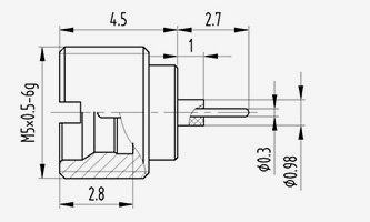
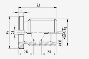
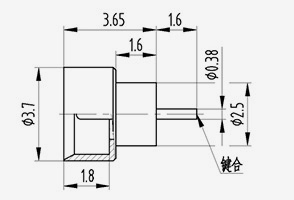
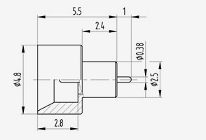
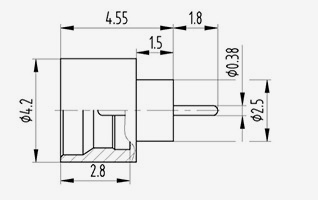
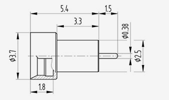
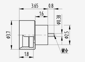
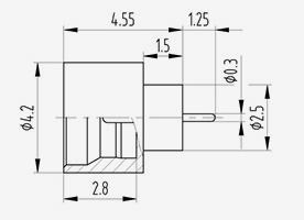
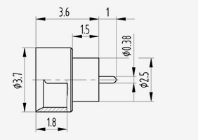
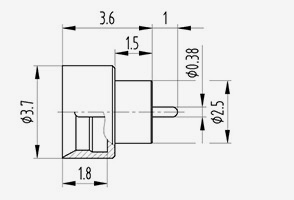
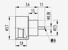
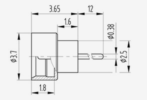
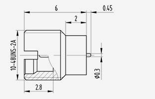
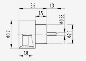
Dimensions de l'interface :
Les connecteurs coaxiaux RF scellés à l'air de type SMP-J ont trois formes d'interface : échappement complet, demi-échappement et trou de lumière. Lorsque vous nommez le modèle, F signifie échappement complet, L signifie demi-échappement et S signifie trou de lumière. Les dimensions de l'interface sont divisées en dimensions d'interface standard et dimensions d'interface courtes, toutes deux compatibles avec les fiches de type SMP-K.

Taille d'interface standard :

Taille de l'interface courte : 

SMP SERIES
  • SMP(M)-JYD3S
    SMP(M)-JYD3S
    Modèle Remarques
    SMP(M)-JYD3S Alésage lisse
  • SMP(M)-JYD6L
    SMP(M)-JYD6L
    Modèle Remarques
    SMP(M)-JYD6L Détente limitée
  • SMP(M)-JYD12L
    SMP(M)-JYD12L
    Modèle Remarques
    SMP(M)-JYD12L Détente complète
  • SMP(M)-JYD13F
    SMP(M)-JYD13F
    Modèle Remarques
    SMP(M)-JYD13F Détente complète
  • SMP(M)-JYD14L
    SMP(M)-JYD14L
    Modèle Remarques
    SMP(M)-JYD14L Détente limitée
  • SMP(M)-JYD17S
    SMP(M)-JYD17S
    Modèle Remarques
    SMP(M)-JYD17S Alésage lisse
  • SMP(M)-JYD19L
    SMP(M)-JYD19L
    Modèle Remarques
    SMP(M)-JYD19L Détente limitée
  • SMP(M)-JYD22S
    SMP(M)-JYD22S
    Modèle Remarques
    SMP(M)-JYD22S Détente limitée
  • SMP(M)-JYD23S
    SMP(M)-JYD23S
    Modèle Remarques
    SMP(M)-JYD23S Détente limitée
  • SMP(M)-JYD24S
    SMP(M)-JYD24S
    Modèle Remarques
    SMP(M)-JYD24S Détente limitée
  • SMP(M)-JYD25L
    SMP(M)-JYD25L
    Modèle Remarques
    SMP(M)-JYD25L Détente limitée
  • SMP(M)-JYD26L
    SMP(M)-JYD26L
    Modèle Remarques
    SMP(M)-JYD26L Détente limitée
  • SMP(M)-JYD27L
    SMP(M)-JYD27L
    Modèle Remarques
    SMP(M)-JYD27L Détente limitée
  • SMP(M)-JYD28L
    SMP(M)-JYD28L
    Modèle Remarques
    SMP(M)-JYD28L Détente limitée
  • SMP(M)-JYD29L
    SMP(M)-JYD29L
    Modèle Remarques
    SMP(M)-JYD29L Détente limitée
  • SMP(M)-JYD30L
    SMP(M)-JYD30L
    Modèle Remarques
    SMP(M)-JYD30L Détente limitée
  • SMP(M)-JYD31L
    SMP(M)-JYD31L
    Modèle Remarques
    SMP(M)-JYD31L Détente limitée
  • SMP(M)-JYD32F
    SMP(M)-JYD32F
    Modèle Remarques
    SMP(M)-JYD32F Détente limitée
  • SMP(M)-JYD33L
    SMP(M)-JYD33L
    Modèle Remarques
    SMP(M)-JYD33L Détente limitée
  • SMP(M)-JYD34L
    SMP(M)-JYD34L
    Modèle Remarques
    SMP(M)-JYD34L Détente limitée
  • SMP(M)-JYD35L
    SMP(M)-JYD35L
    Modèle Remarques
    SMP(M)-JYD35L Détente limitée
  • SMP(M)-JYD37L
    SMP(M)-JYD37L
    Modèle Remarques
    SMP(M)-JYD37L Détente limitée
  • SMP(M)-JYD41L
    SMP(M)-JYD41L
    Modèle Remarques
    SMP(M)-JYD41L Détente limitée
  • SMP(M)-JYD42S
    SMP(M)-JYD42S
    Modèle Remarques
    SMP(M)-JYD42S Détente limitée
  • SMP(M)-JYD43L
    SMP(M)-JYD43L
    Modèle Remarques
    SMP(M)-JYD43L Détente limitée
  • SMP(M)-JYD44L
    SMP(M)-JYD44L
    Modèle Remarques
    SMP(M)-JYD44L Détente limitée
  • SMP(M)-JYD45L
    SMP(M)-JYD45L
    Modèle Remarques
    SMP(M)-JYD45L Détente limitée
  • SMP(M)-JYD46L
    SMP(M)-JYD46L
    Modèle Remarques
    SMP(M)-JYD46L Détente limitée
  • SMP(M)-JYD47L
    SMP(M)-JYD47L
    Modèle Remarques
    SMP(M)-JYD47L Détente limitée
  • SMP(M)-JYD48L
    SMP(M)-JYD48L
    Modèle Remarques
    SMP(M)-JYD48L Détente limitée
  • SMP(M)-JYD49L
    SMP(M)-JYD49L
    Modèle Remarques
    SMP(M)-JYD49L Détente limitée
  • SMP(M)-JYD50S
    SMP(M)-JYD50S
    Modèle Remarques
    SMP(M)-JYD50S Alésage lisse
  • SMP(M)-JYD51L
    SMP(M)-JYD51L
    Modèle Remarques
    SMP(M)-JYD51L Détente limitée
  • SMP(M)-JYD52S
    SMP(M)-JYD52S
    Modèle Remarques
    SMP(M)-JYD52S Alésage lisse
  • SMP(M)-JYD53L
    SMP(M)-JYD53L
    Modèle Remarques
    SMP(M)-JYD53L Détente limitée
  • SMP(M)-JYD54S
    SMP(M)-JYD54S
    Modèle Remarques
    SMP(M)-JYD54S Alésage lisse
  • SMP(M)-JYD55L
    SMP(M)-JYD55L
    Modèle Remarques
    SMP(M)-JYD55L Détente limitée
  • SMP(M)-JYD57S
    SMP(M)-JYD57S
    Modèle Remarques
    SMP(M)-JYD57S Alésage lisse
  • SMP(M)-JYD80L
    SMP(M)-JYD80L
    Modèle Remarques
    SMP(M)-JYD80L Détente limitée
  • SMP(M)-JYD81L
    SMP(M)-JYD81L
    Modèle Remarques
    SMP(M)-JYD81L Détente limitée
  • SMP(M)-JYD82L
    SMP(M)-JYD82L
    Modèle Remarques
    SMP(M)-JYD82L Détente limitée
  • SMP(M)-JYD83F
    SMP(M)-JYD83F
    Modèle Remarques
    SMP(M)-JYD83F Détente complète
  • SMP(M)-JYD84S
    SMP(M)-JYD84S
    Modèle Remarques
    SMP(M)-JYD84S Alésage lisse
  • SMP(M)-JYD85S
    SMP(M)-JYD85S
    Modèle Remarques
    SMP(M)-JYD85S Alésage lisse
  • SMP(M)-JYD86L
    SMP(M)-JYD86L
    Modèle Remarques
    SMP(M)-JYD86L Détente limitée
  • SMP(M)-JYD87S
    SMP(M)-JYD87S
    Modèle Remarques
    SMP(M)-JYD87S Alésage lisse
  • SMP(M)-JYD88L
    SMP(M)-JYD88L
    Modèle Remarques
    SMP(M)-JYD88L Détente limitée
  • SMP(M)-JYD89L
    SMP(M)-JYD89L
    Modèle Remarques
    SMP(M)-JYD89L Détente limitée
  • SMP(M)-JYD90L
    SMP(M)-JYD90L
    Modèle Remarques
    SMP(M)-JYD90L Détente limitée
  • SMP(M)-JYD91L
    SMP(M)-JYD91L
    Modèle Remarques
    SMP(M)-JYD91L Détente limitée
  • SMP(M)-JYD92L
    SMP(M)-JYD92L
    Modèle Remarques
    SMP(M)-JYD92L Détente limitée
  • SMP(M)-JYD93S
    SMP(M)-JYD93S
    Modèle Remarques
    SMP(M)-JYD93S Alésage lisse
  • SMP(M)-JYD94L
    SMP(M)-JYD94L
    Modèle Remarques
    SMP(M)-JYD94L Détente limitée
  • SMP(M)-JYD95L
    SMP(M)-JYD95L
    Modèle Remarques
    SMP(M)-JYD95L Détente limitée
  • SMP(M)-JYD96L
    SMP(M)-JYD96L
    Modèle Remarques
    SMP(M)-JYD96L Détente limitée
  • SMP(M)-JYD97S
    SMP(M)-JYD97S
    Modèle Remarques
    SMP(M)-JYD97S Alésage lisse
  • SMP(M)-JYJ1S
    SMP(M)-JYJ1S
    Modèle Remarques
    SMP(M)-JYJ1S Alésage lisse

RESTER EN CONTACT

[#saisir#]
SOUMETTRE
À propos de nous
Ningbo Hanson Communication Technology Co., Ltd.
Ningbo Hanson Communication Technology Co., Ltd.
Ningbo Hanson Communication Technology Co., Ltd. is China Connecteur hermétiquement scellé SMP Supplier and Custom Connecteur hermétiquement scellé SMP Company. We are a manufacturer specializing in the production, processing, and trade of communication components, with more than 30 years of experience in RF coaxial connectors, adapters, and cable assemblies. L'entreprise a désormais développé son propre atelier d'usinage, son atelier de galvanoplastie, son atelier d'assemblage et un groupe de fournisseurs stables et fiables. L'objectif de l'entreprise est de fournir aux clients des produits de haute qualité. Les principaux produits sont des connecteurs coaxiaux RF, des adaptateurs, des assemblages de câbles haute fréquence et des assemblages de câbles à faible intermodulation. En outre, la société peut également fournir des services aux clients ayant des besoins personnalisés afin de répondre aux exigences particulières des clients en matière de produits. Les produits de la société sont largement utilisés dans l'aérospatiale, les stations de base de communication, les équipements médicaux et d'autres domaines de haute technologie. À l'heure de la réforme, de l'innovation, du développement et de la croissance des entreprises, l'entreprise a pris l'initiative de rejoindre le système international de gestion de la qualité ISO9001 et d'améliorer continuellement le niveau de gestion afin de fournir des produits et services plus satisfaisants aux nouveaux et anciens clients.
Dernières nouvelles
Vous recherchez une opportunité commerciale ?

Demete d'appel aujourd'hui