Nouvelles de l'industrie

Ningbo Hanson Communication Technology Co., Ltd. Maison / Nouvelles / Nouvelles de l'industrie / Quelles sont les erreurs les plus courantes à commettre lors de l’installation des connecteurs SMA ?

Quelles sont les erreurs les plus courantes à commettre lors de l’installation des connecteurs SMA ?

Ningbo Hanson Communication Technology Co., Ltd. 2025.11.19
Ningbo Hanson Communication Technology Co., Ltd. Nouvelles de l'industrie

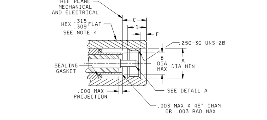
Connecteurs SMA sont l'un des connecteurs coaxiaux les plus courants et les plus utilisés dans les applications RF, largement utilisés dans les équipements de communication, les systèmes micro-ondes, les antennes, les instruments de test, les GPS, les radars et autres systèmes haute fréquence. Bien que la structure d'un connecteur SMA semble simple, même une petite erreur lors de l'installation ou de la connexion peut entraîner une atténuation du signal, une augmentation du VSWR, un mauvais contact et même un dysfonctionnement de l'équipement. Par conséquent, une installation correcte des connecteurs SMA est cruciale.

1. Couple de serrage incorrect
De nombreux utilisateurs tombent dans une idée fausse commune lors de l'installation des connecteurs SMA : soit ils les serrent simplement avec désinvolture, soit ils les serrent avec force jusqu'à ce qu'ils soient "très serrés". Les deux approches poseront des problèmes.

S'il n'est pas suffisamment serré, un mauvais contact et une connexion instable se produiront, rendant le signal vulnérable aux interférences. Surtout dans les environnements vibratoires, la tête SMA se desserrera progressivement, entraînant une augmentation des réflexions et même une interruption du signal. S'il est trop serré, cela endommagera le noyau interne, déformera les filetages et endommagera la structure diélectrique, entraînant une dégradation irréversible des performances.

La procédure correcte consiste à utiliser une clé dynamométrique pour le serrer à un couple standard d'environ 0,8 N·m. Cela garantit un contact sécurisé tout en évitant les dommages structurels, ce qui en fait un outil essentiel pour une installation RF professionnelle.

2. Désalignement du conducteur central
Les connecteurs SMA sont des connecteurs RF de précision avec des conducteurs centraux extrêmement petits (broches ou prises). Un mauvais alignement lors de l'accouplement et de l'insertion forcée peut facilement provoquer une flexion des broches et une déformation de l'emboîture. Ce type de dommages est souvent irréparable et peut ne pas être visible à l’œil nu, mais il entraîne directement :
VSWR accru
Augmentation de la perte de signal
Contact instable
Difficulté d'insertion et de retrait
Durée de vie du signal considérablement raccourcie
Surtout dans les équipements de test ou les systèmes haute fréquence, ces dommages dégradent l'ensemble des performances de la liaison et sont difficiles à dépanner.

La procédure correcte consiste à aligner soigneusement le conducteur, à l'insérer doucement, puis à le fixer avec une clé dynamométrique. N'utilisez jamais la force brute.

3. Le serrage manuel introduit des débris métalliques et des oxydes dans l'interface
De nombreux ingénieurs serrent habituellement les connecteurs SMA à la main, en particulier lors de tests fréquents. Cela entraîne non seulement un couple insuffisant, mais introduit également facilement des contaminants tels que de la poussière, des débris métalliques et des huiles cutanées. Ces minuscules particules peuvent augmenter la résistance de contact et même endommager le placage en or, entraînant une atténuation accrue du signal.

Dans les connecteurs haute fréquence, même les plus petites impuretés peuvent provoquer des fluctuations de performances. Il est donc essentiel de :
Ne serrez pas à la main (serrez légèrement lors du positionnement initial) ;
Nettoyez les surfaces de connexion avec un chiffon non pelucheux ou un tampon imbibé d'alcool avant l'installation ;
Évitez de toucher les surfaces conductrices à mains nues ;
De bonnes habitudes de nettoyage peuvent prolonger considérablement la durée de vie du connecteur.

4. Mélange des types de connecteurs SMA mâles et femelles
Connecteur SMA Les interfaces ont une apparence très similaire à d'autres interfaces RF, telles que RP-SMA, SMB, SMC et N-type. De nombreuses personnes jugent en fonction de l'apparence, ce qui entraîne la connexion forcée d'interfaces incompatibles, ce qui peut provoquer :
Fils endommagés
Goupilles centrales cassées
Trous intérieurs déformés
Échec complet des performances

SMA et RP-SMA (SMA à polarité inversée) se confondent particulièrement facilement. Ils se ressemblent mais ont des structures internes différentes. Forcer une connexion empêche non seulement la transmission du signal, mais peut également endommager l'interface de l'appareil.

Avant de vous connecter, confirmez toujours :
Est-ce un connecteur SMA standard ?
Le type de connecteur est-il correct ?
Est-il compatible avec le port de l'appareil ?
Répond-il aux exigences de fréquence (il existe une différence entre les connecteurs SMA standard et de précision) ?

Évitez d'endommager des équipements coûteux en raison d'un mauvais fonctionnement.

5. Une flexion excessive du câble de connexion provoque des discontinuités d'impédance
De nombreux problèmes lors de l'installation des connecteurs SMA ne proviennent pas réellement du connecteur lui-même, mais plutôt d'une mauvaise flexion du câble lors de l'installation. Les câbles coaxiaux sont très sensibles aux rayons de courbure. S'il est plié trop brusquement, cela entraînera :
Discontinuités d'impédance
Réflexion accrue du signal
Augmentation de la perte de câble
Résultats de tests instantanés.

Ces problèmes sont particulièrement visibles dans les applications haute fréquence (au-dessus de 6 GHz).

Lignes directrices recommandées :
Rayon de courbure ≥ 5 fois le diamètre du câble
Évitez de vous pencher près du point de connexion
Évitez d'appliquer une tension ou une torsion au câble.
Cela maintiendra des performances de transmission stables.

6. Les accouplements et désaccouplements fréquents provoquent une usure
La durée de vie théorique d'un connecteur SMA est généralement d'environ 500 cycles d'accouplement et de déconnexion, mais de nombreux environnements de test peuvent impliquer des dizaines de cycles d'accouplement et de déconnexion par jour. Une utilisation répétée et prolongée peut provoquer : une usure du plaquage or ; impédance de contact accrue; déformation de la lame ; et le relâchement du conducteur central, affectant la stabilité du signal et augmentant même les erreurs.

Les solutions incluent : l'utilisation d'un adaptateur de protection (économiseur SMA) dans des environnements de test à haute fréquence ; remplacer régulièrement les câbles de test ; et surveiller les changements dans l'impédance de contact du connecteur. Cela peut prolonger considérablement la durée de vie des interfaces sur des instruments précieux.

Bien que l'installation des connecteurs SMA soit simple, chaque détail a un impact direct sur la qualité du signal. Le respect des procédures standard et l'utilisation des outils appropriés garantissent des connexions stables, des performances fiables et une durée de vie plus longue de l'équipement.

Vous recherchez une opportunité commerciale ?

Demande d'appel aujourd'hui